甘肃陇神戎发药业股份有限公司的网站标识

网站内页装饰å›
News Focus
新闻动态
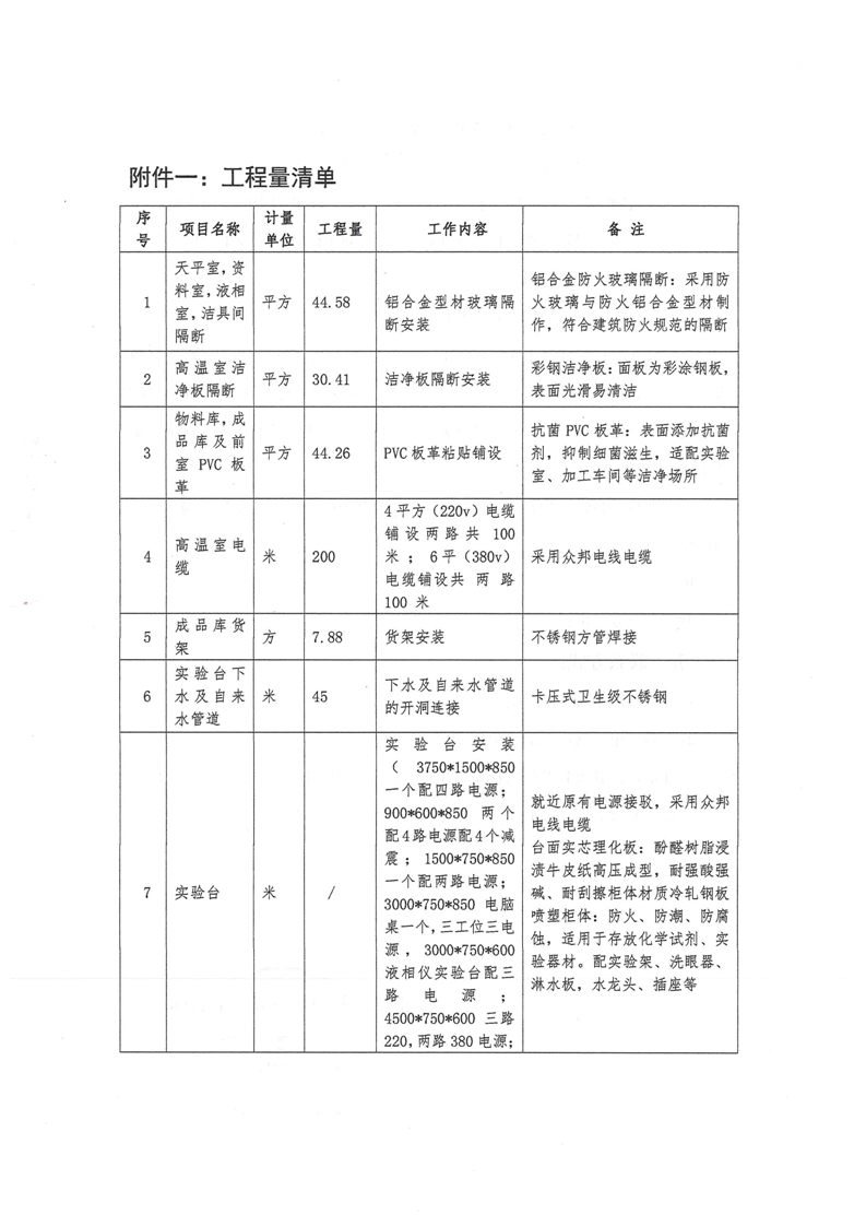
甘肃陇神戎发药业股份有限公司办公室二层中试实验室局部改造询比价公告
日期:2026-01-07
来源:
浏览次数:
分享:

在线商城

陇神京东元胡止痛滴丸

陇神京东元胡止痛滴丸

百利青禾店

百利青禾店

普安康宣肺止嗽合剂

普安康宣肺止嗽合剂

抖音商城

抖音

抖音